
科技和人文的交汇点。
苹果公司的市值等于丹麦(世界第28大经济体)的净资产,用户数量等于中国人口。所以,如果把苹果公司看成一个国家,它将是一个超级大国,对世界人民的生活、政治和文化产生了深远的影响。
–《欢迎来到库比蒂诺共和国》
2020.01.24:Apple Economy建立
- MacBook Pro 16
- iPhone 11 Pro
- Apple Watch 5
- AirPods Pro
苹果公司发布自己的第三方登陆服务,所有苹果商店上架的应用,只要提供第三方登陆,都强制要求接入该服务。
Cook 时代的苹果最大的新赛道是 AirPods ,是值得骄傲的事情。AirPods Pro 的发布值得大书特书。Mac ,MacBook,iPad,iPhone,Apple watch,AirPods 的新赛道开辟的过程(更细小的时间维度上 iPhone 在 iPad 前面),其实就是个人计算的变得更生化和更加融入环境的过程。耳机,还有明年可能的眼镜,这种更加融入身体的产品,才是未来。蓝牙音响,到很可能是个笑话。
柔性屏幕是好东西,但是其实最应该折腾柔性屏幕的个人计算设备,不是手机,而是手表。能有效拓展显示面积,弯折幅度也有限,而且不需要长期反复折叠。
![]()
苹果公司股价首次突破300美元——苹果的流媒体视频订阅尝试受到追捧,同时有关iPhone需求不振的忧虑正在消退,库克过去一年领导苹果取得了巨大成功。
苹果公司的下一代 Mac 电脑,据说将会放弃 Intel 的 CPU,改用自家的 A14 芯片。也就是说,Mac 和 iPhone、iPad 将使用同样的 CPU,都是 ARM 架构。
去年,苹果应用商店的销售额为5190亿美元(包括硬件),而亚马逊网站为3280亿美元。所以,前者才是美国最大的在线零售商。
– 《亚马逊并不是最大的在线零售商》
只是因为让游戏 Fortnite 在应用商店上架,苹果在过去三年就获得3.6亿美元纯利润(因为可以提成30%的销售额)。
– 《苹果从 Fortnite 获利3.6亿美元》
品牌
苹果公司的市值,等于德国最大的30家公司的市值总和,或者澳大利亚最大的200家公司的市值总和。
– 《金融时报》
苹果公司收购 Intel 公司的无线芯片业务,这说明苹果还是不愿意使用高通芯片,更别说华为了,一定要制造自己的 5G 芯片。收购价10亿美元,接收2200名员工。
有史以来第一次,我觉得观看 Apple 产品发布会是浪费时间。
– HN 读者 评论 iPhone 11 发布会
3D Touch 的退役,与其说是这项技术的失败,倒不如说这是工业设计的一次权衡,一次面对机身厚度、电池容量甚至造价成本的取舍。
从此前 iPhone 的拆解看,为了让手机支持不同程度的按压力度并给出不同的反馈,苹果在显示屏下方另外放了一层传感器。
不出意外,这部分寸土寸金的空间应该留给了电池。从官方数据看,iPhone 11 Pro 和 Pro Max 的续航分别增加了 4 小时和 5 小时,堪称跨越式的进步。
一家公司获得垄断地位以后,就不需要从任何形式的产品开发获益了,只通过市场营销或金融工程就能增加利润。最终,公司就会被销售人员和财务人员控制。
– 史蒂夫·乔布斯
苹果公司不允许恶棍在电影中使用 iPhone。因此,如果您正在看一部新电影并且角色拥有 iPhone,那么他们就不是坏人,这算是剧透吗?
– 《苹果和流行文化》
为什么苹果、谷歌要提醒用户少用手机
大多互联网产品都是为了吸引用户的注意力,用户停留时间越长,经济效益就越高。但最近谷歌和苹果却先后推出了“少用手机”的概念和“数字健康”的功能。为什么生产手机的苹果和提供互联网服务的谷歌希望人们用得更少呢?《上瘾》一书的作者尼尔·埃亚尔写文章说了他的看法。公众号“极客公园”介绍了文章内容。埃亚尔认为,谷歌和苹果鼓励用户少用手机的原因是,对用户有利的做法,对这两家公司也是有利的。
他举例说,20世纪60年代,美国联邦法院规定所有汽车都要配备安全带,但是在法律出台十几年前,美国汽车制造商就已经在车上装安全带了,因为安全带是人们买车时的一个重要考量因素。法律出台只是顺势而为。科技的创新与发展,肯定会带来一些负面的东西,就好像轮船发明之后出现了海难一样,自动驾驶汽车的发展也很难避免车祸。但就像某一家汽车制造商最先在车里安装安全带一样,出于竞争的考虑,也要给产品加上用户需要的功能,哪怕短时间内会付出成本,也总比用户跑到竞争对手那边要好。埃亚尔认为,这就是谷歌、苹果推出数字健康概念的真正原因。
此外,苹果和谷歌也不会因为这个举动就不赚钱了。苹果主要是卖手机这样的硬件产品,而谷歌也在把未来押在智能语音设备上,谷歌更倾向基于语音而不是视觉的互动。如果谷歌认为语音交互更有前景,减少“屏幕时间”不会损害谷歌长期的利益,反而还能让用户觉得,它在关心用户,主张人性化体验。所以,不管是防患于未然,还是先做出表率,苹果和谷歌这样的“顺势而为”正是顺应了用户的需求,同时也为自己在未来谋得先机。
苹果 SE 低端线降价,意欲何为?
近日,苹果酝酿对 iPhone SE2 降价,国行或至2399元。
消息一出,引人疑惑。
手机售价动辄上万元的苹果,如今竟推出两三千元的产品,为什么要“自降身价”?
本来准备买高端手机的一部分消费者,可能转而购买低端产品,会不会影响利润?
苹果此举,意欲何为?
其实,苹果可能正在进行“低端保护”。
什么叫低端保护?
是指,市场上做高端产品的公司,同时开设低端产品线。其目的不是为了靠它赚钱,而是利用它形成保护机制,降低竞争威胁。
如果新入场的竞争对手想打败一家高端产品公司,比如说打败苹果、打败华为。
如果采用把自己的产品做到同样高端的方法,十分困难,很有可能无法成功。
这时,行之有效的办法可能是:
先进入这个领域的低端市场,把脚跟站稳。先获得用户的认知,占住市场份额,再一步步走向高端。
这也正应了那句“农村包围城市”的方针。
高端领域公司主攻“城市”,很有可能忽视低端领域市场。
但如果新进竞争者一旦在“农村”站稳脚跟,形成包围之势,攻破高端“城市”的成功概率就可能大大增加。
为尽量降低此类“逆袭”事件发生的可能性,高端产品公司通常会开设低端线来保护自己。
这种方式就是低端保护。
低端保护做得很好的例子是欧米茄手表。
欧米茄隶属于瑞士斯沃琪集团,这个集团有一个同名低端线,就是大家耳熟能详的 Swatch 手表。
花花绿绿的外形,以及千元以内的价格,与欧米茄截然不同。
其实斯沃琪集团最擅长、最盈利的,还是如欧米茄、浪琴这样的高端精细制作线。
为什么不擅长、不盈利,还要做低端线?
因为“低端保护”。
颠倒的苹果 Logo
早年的苹果笔记本电脑,上盖的苹果 Logo 从旁观者的角度看是颠倒的。


之所以这样设计,是因为虽然旁观者眼中 Logo 位置颠倒,但是打开笔记本的那一刻,对笔记本的使用者来说,Logo 位置是正的。
苹果的设计团队发现,如果让旁观者看到正确的 Logo,使用者就会看到颠倒的 Logo。这时使用者可能会反复尝试,从错误的一边打开笔记本电脑。乔布斯因此拍板决定,用户比旁观者更重要。
显然,乔布斯后来改变了看法。现在的苹果笔记本,旁观者看到的 Logo 都是正的。
公司
我曾在甲骨文公司工作多年,这家公司完全是销售驱动的,销售人员通常会骗客户,并保证产品具有它所没有或没有得到很好支持的功能,把产品卖出去之后,再聘请昂贵的顾问使得产品能够跟演示的一致。
如果说苹果是设计师文化,谷歌是工程师文化,那么我想说,甲骨文公司是销售文化。
– HN 读者

狗狗克劳斯(Clarus the dogcow)曾经是苹果公司技术的吉祥物,现在已经不用了。本文回顾它的历史。
22 年苹果老员工:乔布斯不是创新者,他是金牌销售
库比蒂诺是一座位于美国加利福尼亚州旧金山湾区南部的城市,它被称为「硅谷的心脏」。
作为硅谷的核心城市之一,这里是 Symantec、MySQL AB 与 Zend 这些知名的互联网公司的所在地。当然,对多数人而言,他们对库比蒂诺这个城市的印象就是苹果。

《库比蒂诺现场报道:苹果如何用文字、音乐和表演来打造世界上最好的销售机器》一书则为我们展示了不一样的苹果。此书作者 Michael Hageloh 是苹果 22 年的老员工,他在苹果陷入破产边缘前就在公司,经历了乔布斯的回归,和团队一起推出了「i 系列」产品。
在他看来,苹果不仅是一个设计和创新的巨头,它也是「你从未听说过的最伟大的销售机器」。

乔布斯不是创新者,他是推销员
Mick Jagger 是谁?滚石主唱,史上最受欢迎的摇滚乐手之一。然而很多人忽视了,他也是一个出色的商人。他的身家在 3.28 亿美元左右。在 50 多年的时间里,他将「滚石」打造为一个在全球范围内广为人知的音乐品牌。Fit Small Business 的联合创始人 David Waring 就表示:「他是一个精明的商人,他知道要安排什么演出,他尽其所能宣传滚石乐队的新音乐。」
U2 乐队的主唱 Bono 在接受《镜报》采访时也表示 Mick Jagger 有出众的商业头脑。「人们鄙视 Mick,因为他们认为他只关心钱,但他毕竟是一个商人。」在他看来,这位音乐家也是在早期亏了很多钱之后,才开始真正了解这个行业,开始赚钱。
但人们不怎么关心 Mick Jagger 是一个成功的商人,人们总是更关心他创造出了怎样优秀的音乐作品。在大众眼里,他可以是优秀的演员、歌手,制片人和作曲人,但唯独不是一个优秀的商人,一个优秀的推销者。

人们对乔布斯的看法也是一致的,人们关心他的审美,他的创造力,他说话的艺术,然而没几个人会关心乔布斯高超演讲和说话艺术背后的目的——销售。
原因很简单,销售人员通常不会成为传奇。
2007 年,乔布斯说服 AT & T 选择了 iPhone——来自当时规模尚小的苹果公司。
乔布斯与 AT&T 进行了耗时一年的艰苦谈判,并成功说服对方同意了自己的分成协议。 在 Michael Hageloh 看来,乔布斯的谈判「基本上是让 AT&T 停止采用他们自己的标准,转而采用我们的标准。」
虽然苹果要将 iPhone 销售额的 10% 交给 AT & T 公司,但他们获得的明显更多——整个产业链的控制权。从设计、制造到市场,一切都掌握在苹果自己手里。

▲ 在 AT&T 门口排队买 iPhone 的消费者
小苹果对上了规模更大、能量更大的 AT&T,却获得了更利于自己的分成协议。
没有它,iPhone 就不会诞生。这不是创新,这就是销售大师。
Michael Hageloh 经历了苹果公司濒临破产的「至暗时刻」,也经历了乔布斯的王者归来,切身体验过公司两种状态的他认为乔布斯就是一个毋庸置疑的销售大师。
当乔布斯在 1997 年重返苹果时,传统的销售方式在库比蒂诺的这个角落消失了。
乔布斯是销售大师,但对他来说,销售不是销售,而是诱惑。

「Think Different」不只是一句广告语
在苹果老员工看来,乔布斯比任何人都更早看到,早期苹果电脑的目标用户是那些不想花时间拆主板的人,是学生、教师、音乐家,是那些有创造力的人。这些目标用户会认为电脑也可以很有趣。
因为乔布斯,苹果的销售、营销和设计团队可能比史上任何一家公司都更为了解消费者心理。我们知道没有人喜欢被出卖。人们鄙视那种感觉,大家觉得自己只是销售人员每月销售业绩的又一个目标而已,谁能责怪他们呢?
当时苹果的传统销售人员还在喋喋不休地谈论处理器和内存,他们还在强调速度和反馈。而乔布斯的洞察则是消费者真正想要的技术不是处理数据或存储数据,而是转换和传输——把消费者带到某个地方,赋予他们改变世界的能力。

Michael Hageloh 记得自己在苹果时和乔布斯工作的情景,当乔布斯被问及使用计算机的相关问题时,乔布斯的回答是:「他们仍然很难使用。」
公司创始人的这种观念使苹果扭亏为盈。因为「我们不再是苹果电脑,我们成为了苹果。」
苹果推出了 iMac、iPod 和 iPhone 等一系列的成功产品。不只是这些产品让苹果成为了价值上万亿美元的企业,更重要的是苹果的 slogan——Think Different。对苹果而言,这也不仅是一句广告语。

这句话定义了我们与客户的关系,邀请他们加入我们,成为我们与众不同的一部分。
「Think Different」的光环让我们把苹果变成了一个奢侈品牌。我们不再担心价格,而是专注于通过功能、设计和客户体验来传递价值。
Apple Store 是苹果传递的价值重要元素之一。Apple Store 的所有员工都是因其艺术修养和专业技能而被录用的,他们会询问客户:「你对什么感兴趣?」在那里,一切都是由客户驱动的,而非销售。

然而那又确实是苹果重要的销售场所,只是它和传统的销售方式不同,店员不会不停向你推荐新品或(苹果基本不存在的)促销品,一切根据你的想法来。
如果传统的销售方式是顾客想要听音乐,然后走进音乐厅去听乐队演奏的曲目的话,苹果的销售方式就是等待顾客走进音乐厅,然后你可以告诉指挥,你想要什么样的音乐。它仍是精心设计的销售店铺,但是相较传统的销售场所,它和消费者的连接更为紧密。
愿意花费数千小时去为客户创造完美拆箱体验的苹果是特别的,这种对细节的持续关注也让苹果更像一个奢侈品牌。
有史以来最伟大的乐队,我们将其称为苹果
《库比蒂诺现场报道》一书的作者 Michael Hageloh 在加入苹果公司之前是一位鼓手。

当我 1988 年来到苹果的时候,我心里只有一个目标:赚足够的钱,录制我自己的专辑。
我完全没有预料到的是,在接下来的 22 年里,我成为了历史上最伟大的乐队之一的一员。苹果不是一家公司,是一支乐队。
在 Michael Hageloh 看来,在宏观层面上,苹果的每个独立部门都是乐队的一部分。
销售团队是鼓手,他们和现金流息息相关,他们跟随歌手的节奏。如果没有销售,就没有简单的方法用于新产品的开发。如果没有销售,产品就会缺少真正的粉丝。如果没有销售,乐队付不出工作室的租金,一切就永远地结束了。
主唱就是你的 CEO。他协调每个乐队成员,在舞台上创造一个伟大的、难忘的时刻。他让乐队更为知名,他把握方向,让越来越多的人喜欢这支乐队。
而苹果的主唱就是乔布斯,他就是苹果的弗雷迪。

我是在乔布斯离开苹果三年后来到苹果的。没有他,公司陷入困境并不奇怪。但讽刺的是,这并不是因为技术不够好。事实上,苹果在数百个非生产性的研发项目上一直处于领先地位,这些项目本可以成为可行的收入来源。
乐器演奏家虽然激情澎湃,但却没有明确的方向。缺乏销售和市场营销的鼓点节奏,这使得研发团队无法与需求保持一致。
1996 年乔布斯重返公司。没有人知道让主唱回到乐队会这样改变公司的未来。在几年的时间里,苹果从一个车库乐队变成了麦迪逊广场花园乐队。在比尔·盖茨的投资之后,乔布斯用这笔钱将现有产品的投资翻了一番,并减少了研发经费。乐器演奏者开始配合鼓点进行演奏,一切保持了平衡。
产品很重要,但要想真正取得成功,需要的是和产品相匹配的供应链、销售团队。任何业务中成功的关键都是如何将组织的各部分成功地结合在一起。如果任其发展,每个部门最终都将基于自我保护而不是共同目标来做出决定。

这些独立的实体必须在一个共同的目标、一种特别的使命和一种痴迷的保护伞下汇聚。他们在同样的鼓点中进行演奏,最终让苹果成为有史以来最伟大的乐队。
从早期开始,音乐就在我们的 DNA 中。几乎每个在苹果工作的人都有音乐背景。从我们的销售团队到市场营销,音乐充斥了整个公司,所以我们的第一个改变游戏规则的产品是 iPod,然后是 iTunes,这有什么奇怪的吗?
我们依靠恰当的歌词、节奏、没完没了的排练,以及为一位乔布斯先生的作品编曲,向我们的用户施了魔法。还记得那些标志性的原色 iTunes 电视广告吗?
我想要传达的是,苹果是一种感觉,没有什么比音乐更能表达这种感觉了。
苹果CEO:乔布斯教我的理念
10月12日,苹果公司CEO蒂姆·库克(Tim Cook)参加了英国牛津大学创业基地的揭幕仪式。在活动中,库克分享了自己在工作选择、如何面对失败等方面的人生经验,也回忆了乔布斯教给他的一个关于快乐的理念。
库克说,刚毕业时,他的想法是找到一份自己热爱的工作,但他后来发现,生命的意义不单单是寻找自己热爱的工作,而是要以更广泛的方式服务人类。当他意识到当时的公司并不符合这一标准时,就换了公司。他说:“加入苹果之后,我的价值观和我的工作保持一致,这对我来说非常重要。”而在加入苹果前,库克也咨询了很多人,但每个人都建议他不要换工作,最后库克是根据自己的直觉做了决定。库克说:“这是我人生中最重要的决定之一,或许可以说是最重要的,没有之一。”
苹果要做的是打造人们想要使用、其他人想要追随的产品。库克说:“如果你爱你的产品,那肯定也有很多其他人会爱上你的产品。这是驱动苹果的基本信条之一。”在产品上,库克非常强调贴近顾客、聆听消费者的声音、公司与顾客连接的重要性,这也是苹果推出零售店以及库克早起的原因。库克每天早晨不到4点钟起床,开始工作。他说:“我喜欢每天起床的第一个小时阅读客户邮件,因为我想知道他们在说什么,我想知道他们的感受。”
如何面对挫折,库克也给出了方法。他说:“有时你的基础很好,但你还会失败。我就曾经遇到过这样的时刻。你必须对自己有信心。对着镜子,感受自己的呼吸。失败并没有杀了你,你还活得好好的。 这不是天大的事,一切都会过去的。有时候,我每天都对着镜子这样做好多次。做一会儿之后,情况就好得多了,你会学着坦然接受失败。事实上,虽然你把它看做是一次失败,但它并没有那么糟。”
最后,库克谈到了乔布斯在世时教给他的一个关于快乐的理念。库克说:“乔布斯告诉我,快乐在于过程,而非结果。快乐是每天日常的东西。他教会我‘专注’的重要性,不管是在工作还是个人生活中,你只能做好一部分事情,你必须做出取舍,选择那些你可以做出成就的事情。乔布斯多次告诉我,不要试图猜测他想做什么,只要做我认为正确的就好了。这让我如释重负。”
蒂姆·库克:一个被低估的苹果继任者

原创: 立夏 罗辑思维 今天
今天我们来讨论一个问题:
如果你的前任领导者非常优秀,你接手他的公司该怎么做?
关于这个话题,有一个人非常具有发言权。
他就是苹果现任CEO蒂姆·库克。
8年前,库克接任乔布斯的职位时,大众根本就不看好库克。
但库克交出了一份满意的成绩:接任时,苹果市值3000亿美元,
到2018年8月,苹果成为人类历史上第一家市值1万亿美元公司。
库克究竟是如何做到的?
人生一切难题,知识给你答案。
今天这篇清单,就给你全面剖析库克的经营之道。
内部整顿,建立威信
库克刚上任时,副总裁福斯托负责的项目“苹果地图”就出现了把用户指引到飞机跑道上这样的大问题,引起了公众的不满。项目失败后,福斯托还拒绝公开道歉。虽然福斯托是公司的老员工,但库克认为福斯托已经成为团队的破坏者,因此果断解雇了福斯托。这一举措让所有员工看到了他的领导力和魄力,在公司建立了极高的威信。
- 扬长避短,不去模仿乔布斯
我们都知道,乔布斯出色的演讲能力让每次发布会都成为行业焦点。而库克却向来很低调,几乎没有接受过媒体采访,也没在苹果的产品视频中露过面。面对大众质疑,库克没有去刻意模仿乔布斯,而是保持自己在供应链管理的优势。他曾经为了配合一款重磅产品在节假日上市,提前几个月就和各空运公司预定了档期,成功扛住了短时间内大量订单的压力,打赢了业内的经典一战。
- 注重公益和社会责任,改善企业形象
在乔布斯眼里,苹果做出最棒的产品,就是在履行社会责任,他对公益慈善并不热心。但库克不这么看,他在接管公司几个月后就鼓励员工进行捐赠,承诺只要员工捐赠,公司也会捐同样的数额;如果员工做义工,公司会将义工时间乘以工资,进行配套捐款。同时,苹果还向医疗机构、慈善组织、艾滋病防治项目等大量捐款,让苹果的企业形象变得更亲和。
- 开发应用软件,扩大产品竞争力
在产品方面,库克还打破了乔布斯时代苹果忽视企业客户的陈规,与老东家IBM合作,开发针对不同专业领域和企业市场的应用软件。你一定常常在iPhone和iPad上娱乐消遣吧?现在,你同样可以在这上面处理专业工作了,这些都是库克的产品规划,让苹果的市场空间有了大幅的增加。
- 开创新产品,保持创新力
外界对库克不看好的主要原因,是觉得他缺乏乔布斯的创新能力。关于这一点,库克也用新产品——Apple Watch给予了回应。虽然最初反响平平,但后来Apple Watch赶上了人们关注运动与健康的潮流,加上智能支付等功能的接入,销售成绩非常好:截止2018年5月,销量超过四千万只,而且保持了超过50%的季度增速。
- 拓宽中国市场,占领市场份额
库克作为全球跨国公司的领导者,开拓中国市场似乎天经地义。但行动迅速、并且成效显著的领导者并不多见。库克上任时,中国市场在苹果总营收中占比只有2%,短短两年时间,中国市场营收增幅超过600%,到今天营收占比已经超过20%。
库克是怎么做的呢?一方面与中国政府、电信运营商谈判,从合约机、专卖店等渠道多管齐下;另一方面,就售后服务等问题诚恳道歉,改善形象。
- 注重环保,注入全新价值观
你知道吗,早年的苹果曾多次成为环保组织抨击的对象。库克一上台,就非常注重绿色环保,不仅在生产运营中大量购买可再生能源,还敦促供应商重视环保,寻求安全、可回收的制造材料。今天的苹果已经成为绿色企业的典范,而库克的理想更远大——让苹果的整个供应链,100%使用可再生能源和可回收材料。
- 重视隐私,保障用户权利
乔布斯时代,苹果对用户隐私并没有过多关注。但库克不同,苹果每次软件和硬件的更新,都会加强对用户隐私的保护。2016年,FBI以调查恐怖案件为由,想要破解用户手机密码,库克都坚决反对。最后库克获得了社会舆论的支持,FBI收回了请求。
今天提到苹果公司,如果你想到的是大胆创新、使用便捷、设计优异,这些可能还是乔布斯的遗产,但如果你想到绿色环保、安全、社会责任的话,那就是库克给苹果打上了自己的烙印。
库克:苹果不会获取用户数据,不拿用户数据赚钱
IT之家11月24日消息 当地时间11月22日,苹果CEO库克接受ABC采访表示,苹果公司不会获取用户数据,不拿用户数据赚钱。

据报道,苹果CEO库克接受ABC采访表示,大家对大公司都保持质疑,去审视他们。自己认为隐私是最重要的事情,所以苹果公司的做法是不要用户生活的细节,苹果公司不会获取用户的数据。此外库克还表示希望用户的信息保存在用户的设备上,在用户和用户的手机之间,而不是用户和苹果公司之间。
与某些公司采用的方法完全不同,苹果公司不会利用用户数据赚钱;苹果的看法与其他公司不同,把隐私视作一项基本人权。
库克补充表示从个人角度来看非常担心,这个世界没有任何隐私。如果你知道你的隐私被公司长时间监控,你就会开始少表现,比如开始控制自己的行为,减少浏览,减少探索等。那不是我想生活的世界,也不是想让孩子生活的世界。
库克:苹果每两三周就会收购一家公司
苹果公司CEO蒂姆·库克参加了巴菲特公司的年度股东大会。巴菲特从2016年开始买入苹果,到2018年第四季度,苹果已经成为巴菲特投资组合中最大的投资标的。在伯克希尔·哈撒韦年度股东大会期间,库克接受了媒体的访问,谈到他跟巴菲特的交往,以及苹果公司在管理和用户隐私上的一些做法。
首先是跟巴菲特的交往。2012年,也就是库克担任CEO一年左右时,他跟巴菲特第一次通电话。当时,他在犹豫要不要回购公司股票。库克说,他的习惯是,当他在某件事情上没什么经验时,他会列出自己认为的最聪明的人名单,然后联系他们,听听他们的建议。巴菲特就在这个名单上。巴菲特给的建议也很清晰:如果你认为自家股票被低估了,那你就应该回购股票。
2016年时,巴菲特买入了苹果的股票。库克说,整个苹果公司都有一种感受,巴菲特的投资是一种认可,是“一种荣誉和特权”。因为,巴菲特此前已经反复说过,他不会投资科技公司和他不了解的公司。
巴菲特对苹果的认知是:苹果是一家拥有强大品牌的消费公司。这是一种对苹果公司的很特别的分类。库克也喜欢巴菲特的这种看法。因为,虽然苹果身处科技行业,但是,苹果一直都自称是站在科技和人文的交汇点,是为人在开发产品,“技术应该放在后台,而不是前景,技术应该赋予人们做事情的能力,帮助他们做他们本无法做到的事情。”
库克也解释了为什么苹果推出的产品非常少。苹果在开发产品时,要遵循两个原则,
一个原则是,要在自己参与的领域制造出最好的产品,如果不能,那苹果就不会进入该领域;
另一个原则是,要能帮助人、丰富人们的生活,否则也不会做。
“这是个很窄的漏斗”,因此,苹果“只能做很少的事情”。
然后是隐私问题。库克在科技巨头中,一直提倡对用户隐私的保护,不主张无限度收集用户数据。库克的观点是:“建立关于你生活的详细档案,可能会导致悲剧性的事,无论是侵犯你的隐私,还是数据本身被不当使用。”这么做并不正确,消费者应该拥有自己的数据。今天,手机已经如此重要,手机知道用户的财务状况、健康数据,知道你有什么朋友、每天出现在什么地方。因此,作为手机公司的苹果,认为自己有责任来保护用户。
苹果采用的方法包括:支持用户拥有数据,支持网络中立,同时,对自己的平台进行精心选择和策划。后一点,也就是苹果应用商店严格的审核策略,其实引发了很多的不满。但是库克坚持这一点,因为他认为这对保护用户的安全和隐私有帮助。用他的话说是:“我知道这使我们受到批评。但这是当店主的责任。如果你是街角那家店的老板,你就可以决定你的店里卖什么。”
此外,库克还提到了苹果公司的收购。虽然几乎不对外披露,但是苹果公司一直在积极进行收购。平均每隔两三周,苹果就会收购一家公司。收购的目的,是为了获得人才和知识产权。过去半年,苹果已经收购了超过20家公司。
以上就是苹果CEO库克在最新采访中谈到的主要话题。他认可了巴菲特对苹果公司的分类:一家消费公司。此外,库克还阐明了苹果为什么这么大体量,但却只做很少的事情。他还重申了苹果对隐私的态度。希望对你理解这家公司能有帮助。
如何看待苹果 CEO Tim Cook 对 5G 技术发展的判断,称「目前 5G 还是有点超期」?
如果苹果真的做了市场调研,在 iPhone Xs 那一代就应该知道:整个市场不管是“基础架构还是芯片”,intel 的 4G 解决方案“都还没有足够成熟”,“还不足以支撑推出一个足够成熟的产品”。但是苹果还是推出了 intel 芯片的 Xs Xr 一代,并且被市场骂的一头狗血。的确,苹果的目的的确从来不是“抢第一,抢首发”。但是,也未必就是为了“等相关的技术进入成熟期,做到最好”。因为在 4G 收尾期, Xs 一代的信号还遭遇那么多吐槽,怎么说,也不是行业的 4G 基带“不成熟”导致的。所以其实类似这代产品的是否支持 5G 这种重大产品决策,肯定是很多因素的综合考虑。整个标准的成熟程度和落地速度当然是考虑的因素。产业链的能力在产品上能兑现的程度也是。但是,也很可能包括九月份这个时间点有点尴尬,若增加新的研发要求能否发布的问题高通虽然和解但是获得的支持力度问题自己收购的 intel 基带部门是否能短时间内拿出抗衡行业的解决方案问题在全球主要市场上,靠性价比在 12 个月内还能不能打的问题但是作为公司 CEO ,在公开场合肯定强调众多因素中最有利于公司的。这样即没有说假话,又强调了品牌价值主张。而消费者对这种“官话”,听听就好。虽然有些不真诚,但是理解万岁。。
库克总不可能说:老子就是不爽高通的专利费,未来又可能面对来自华为的同样的威胁,所以这一代宁可玩性价比也不上 5G 。intel 4G 基带和相关方案是坑但是现在 bug 也改的差不多了将就能用。再给我 12 个月的时间,就是把 intel 的基带团队给 996 了,也要搞定 A14 的板载自有 5G 基带。到时候,我们再跟高通从长计议。。。
时隔 28 年重回 CES,苹果意欲何为?
如果想让 HomePod 的智能体验衍生到生活中更广的维度,苹果必须要好好努力了。
很难想象,对苹果这样一家以硬件为主的科技公司,竟然缺席 CES 长达 28 年之久。但惊讶之余似乎又可以找到很多苹果不参与的理由:用户数量足够大,市场增长稳定,不用做广告也能赚得盆满钵满……
只不过「圣人」也无法免俗。2019 年,苹果在拉斯维加斯会展中心一侧的 Spring Hill 万豪酒店外墙上挂出巨幅广告,用「What happens on your iPhone, stays on your iPhone」的口号重申了自己在隐私问题上的立场。如果说这种「碰瓷式」的宣传只是苹果回归 CES 的预热,派出主管全球隐私事务的高级总监亲自上阵,则像是另一种高调式的 PR,告诉大家无需担心和苹果相关的硬件产品的信息安全问题。

2019 CES 期间,苹果在拉斯维加斯会展中心对面的酒店外墙上挂出巨幅广告 | 视觉中国
只不过相比谷歌搭出的规模更大的展位,以及利用汽车业务成功跻身北馆的亚马逊,苹果在今年 CES 现场的存在感稍微还是弱了那么一些。不过作为改变了一个时代的创新者,苹果的存在,真正有价值的地方在于它不断推陈出新的能力,即便是雷同的功能,也会产生截然不同的用户体验。而在大家已经做好「抛弃」个人隐私觉悟的同时,苹果却反其道而行,在恰到好处的时机重申了对隐私问题的看法,还节省了一大笔昂贵的广告费。
之前有一首网络歌曲,「不要迷恋哥,哥只是一个传说」。虽然离成为传说还早得很,但苹果的一丝一毫举动都牵动着行业上下的神经,即便「隐身」徐行,激起的尘埃依旧无法被轻易忽略。
iPhone 上发生的事,留在 iPhone 上
在美国时间 1 月 7 日下午一场主题为「隐私」的圆桌讨论上,苹果负责全球隐私事务的高级总监 Jane Horvath 现身。一同参与到话题讨论中的,还包括 Facebook 首席隐私官 Erin Egan,宝洁全球隐私官 Susan Shook 以及来自联邦贸易委员会 FTC 的 Rebecca Slaughter。

左起:Facebook 首席隐私官 Erin Egan,苹果全球隐私事务的高级总监 Jane Horvath 和宝洁全球隐私官 Susan Shook | 视觉中国
「在苹果,我们定义隐私的方式是把控制权交给用户。」Jane Horvath 表示,「他们既拥有数据的控制权,同时也拥有数据的使用权。」
这样官方的回答肯定无法得到现场媒体和观众的认同。有人提出质疑,希望 Jane Horvath 详细介绍下苹果防止第三方应用窃取用户数据的措施。对此,她回答道,「我们几乎每周都会对现有的数据进行评估,确保 iOS 系统不会过度使用消费者的数据,这个过程中还涉及到利用数据样本抽样的方式,避免系统过渡搜集用户的重要数据。」
至于大家关心的第三方应用,Horvath 表示苹果目前设置了开发者引导、用户告知以及其他技术手段,将消费者的数据与第三方应用区隔开来。只有经过用户的同意,iOS 系统才会开发 API 将地理位置等信息传输给第三方使用。

英国《卫报》曾披露称 Siri 涉嫌泄漏用户隐私 | SlashGear
而除了第三方应用的安全问题外,很多时候用户会担心自己的手机信息会被政府截取。对此,Horvath 指出,「苹果不会轻易破解用户 iPhone,因为个人手机中储存着大量敏感信息,比如金融交易相关的,健康相关的等等。一旦 iPhone 丢失,我们首先需要保证的是用户数据不会被其他人获取。」
现场,还有人问及对消费者隐私保护的问题,因为之前英国《卫报》曾披露称 Siri 涉嫌泄漏用户隐私,称「苹果公司的承包商经常需要截取用户的语音数据,利用其优化 Siri 的使用体验。」很快,苹果公司发表声明,表示只有不到 1% 的信息会被用于优化服务。两个月后,苹果宣布暂停 Siri 的人工评审项目。
所以,现场有记者问道,「苹果自身如何去保护用户隐私?」,Horvath 表示苹果至今没有找到所谓十全十美的方法,能力有限做得不够,今后会在这个方面进行多种尝试多种努力。
最后 Horvath 也谈到了目前互联网平台对大数据过度使用的情况。因为人工智能的推荐服务很多时候需要大量的数据进行训练,比如电商、广告等业务都需要获得足够多的用户信息才能进行实现精准投放和推荐。Horvath 指出,苹果希望实现「小数据、大能力」,即如何以更少的数据实现个性化服务的用户触达。

苹果官网上有一页专门介绍公司在用户隐私保护上的措施 | Apple
她介绍了苹果遵守的一些既定的规程和策略:
首先,只抓取和用户需求相关的数据。比如用户向 Siri 询问天气或附近的商店信息时,系统只会提取当前的地理位置信息;
其次,遮掉数据中涉及的个人隐私内容。譬如储存 emoji 表情、拍摄人脸照片时,iOS 会主动在数据生成时加入「噪声」,掩盖掉这些操作中涉及的个人信息。而在苹果系统的默认设置中,Siri 和地图应用都是随机标识的机制,不会追踪某个具体的账户;
「苹果的每一款产品在设计之初,都会有专门的律师团队和工程师一起讨论,我们的目的是将数据的控制和使用权真正让用户进行掌控。」Horvath 总结称。
正如美国联邦贸易委员会 FTC 的高管 Slaughter 所说,电子产品/互联网如此高速发展的今天,如何善意利用用户数据,保护消费者隐私是所有大公司都必须践行的责任和义务,但本身这个问题又很复杂,绝非以一己之力或者短期内可以形成有共识的解决方案。不过在 CES 这样的场合,能够郑重地讨论这个问题,对整个行业而言已经是重大的进步。
重拾智能家居的信心?
1992 年,时任苹果 CEO John Sculley 在芝加哥举办的 CES 国际消费电子展上发布了世界上第一款掌上电脑 PDA,取名为「Newton」。时隔 28 年,苹果首次以官方的身份出现在 CES 现场,只不过这次探讨的是隐私,却没有任何新品发布。
苹果前 CEO John Sculley 手持世界上第一款掌上电脑 PDA | TIME
不过苹果的算盘其实打得挺好,一方面通过高管的出口发声,表明其在保护用户数据隐私上的坚定立场,同时将智能家居平台 HomeKit 再次推到台前,「悄无声息」地拿下了一家又一家厂商。
据外媒不完全统计,今年在 CES 上发布的支持苹果 HomeKit 平台的智能家居新产品数量超过了 30 种,同时还有部分公司宣布旗下部分智能家居助手产品将与 Siri 进行适配。去年的消费电子展上,法国公司 Netatmo 推出了可适配 HomeKit 的智能视频门铃,今年它则带来了一款利用物理近场通讯钥匙来开门的智能门锁系统,这款新品同样支持 HomeKit 平台。

Netatmo 利用物理近场通讯钥匙开门的智能门锁系统 | 官方供图
虽然发布已经有近 5 年的时间,但 HomeKit 于苹果而言还算不上是成功的业务,相比亚马逊的 Alexa 而言,发展速度十分缓慢。不过苹果今年已经决定在智能家居业务上发力,2 月份将微软前高管 Sam Jadallah 招入麾下,10 月份则有更多的人才进入,目的是对整个智能家居业务进行重组。但想要达到匹敌亚马逊 Alexa 类似的前进速度,可能苹果还要更耐心一些。据彭博社披露的数据,苹果 HomeKit 生态中仅有 450 款产品。
相比之下,谷歌之前发布的官方数据显示,目前有超过 1000 个品牌的 1000 余款智能设备接入了 Google Assistant,而亚马逊生态中的产品数量则高达 8.5 万台。

支持亚马逊 Alexa 的智能家居产品 | 彭博社
所以对苹果而言,要想与谷歌、亚马逊具备抗衡的实力,2020 年最紧要的任务是进行智能家居业务的重组。其中可行性的措施,包括但不限于「更快地动起来,不惜一切代价将尽可能多的产品接入到 HomeKit 平台中,而且要想办法让 iPhone 用户感受到 HomeKit 平台的魅力。」
2019 年的消费电子展上,外媒 MacWorld 对苹果 HomeKit 的评价是「2019 CES 的一匹黑马」,因为你会发现越来越多的公司开始提供支持 HomeKit 平台的智能家居产品,这是一个好现象。

苹果 HomePod 是自家产品中唯一支持 HomeKit 平台的产品
去年 12 月,苹果、亚马逊、谷歌以及 Zigbee 联盟下的宜家、恩智浦、三星 SmartThings 和 Signify(飞利浦照明)等智能家居设备企业宣布达成合作,共同组建「Connected Home Over IP,简称 CHIP」的联盟,计划开发和制订一套基于 IP 协议的智能家居连接标准。
苹果已经「部分」开源了 HomeKit ADK,并且提供 HomeKit 附件协议,允许开发人员设计非商业智能家居配件。因为 CHIP 宣称将取众人之所长,所以 HomeKit ADK 想必会被纳入新标准去。这也充分显示了苹果想在智能家居市场打一场翻身仗的决心。

苹果、亚马逊、谷歌等智能家居设备企业共同组建「Connected Home Over IP,简称CHIP」联盟
如果只是把 CES 当做新品发布的行业展会来看,可能我们对 CES 的理解还有些狭义。苹果从来不喜欢按常理出牌,重回 CES 不是为了发布新产品,它似乎更多地是在传达一种理念和诉求:对用户隐私的保护是消费者可以放心使用其产品的基础,而要推动智能家居产品上量,除了要说服第三方厂商,更要说服消费者买单。
从去年的巨幅海报,到今年高管出动口播「隐私保护」的理念,苹果似乎已经为下一步智能家居产品的扩张打好了舆论基础。只不过 HomeKit 从推出后还没有出现过良好的增量表现,合作的品牌也屈指可数。
2020 年,苹果如果想让 HomePod 的智能体验衍生到消费者生活中更广的维度,必须要好好努力了。
产品
![]()
苹果发布 Apple Music 的 Web 版了,成为会员后可以收听数百万首歌曲,跟 Spotify 竞争。看来 iTunes 是真的要废掉了。

如果你用的是2015年的iPhone 6S和2016年的iPhone 7,那么iPhone 11的速度会更快,摄像头有改进,屏幕也更大。这是手机升级换代充分理由,但并非必须。
但如果两年前你刚在iPhone X上花了1000美元,那就等等再说。IPhone 11的创新尚不足以让你花700多美元的价格去买一部新的智能手机。
再等上一两年,你就有机会尝到跳级的甜头。那可能会是一款可以使用高速的5G蜂窝网络的iPhone,也可能是一款可以为苹果手表无线充电的智能手机。
耐心是有好处的——跳出iPhone两年一次的自动升级周期,也是如此。
美国有人起诉苹果手机的刘海屏,理由是根据苹果公司宣传的屏幕尺寸和分辨率计算出的像素跟实际不符。法官在法庭上说:”美国似乎没人真正担心这个”。

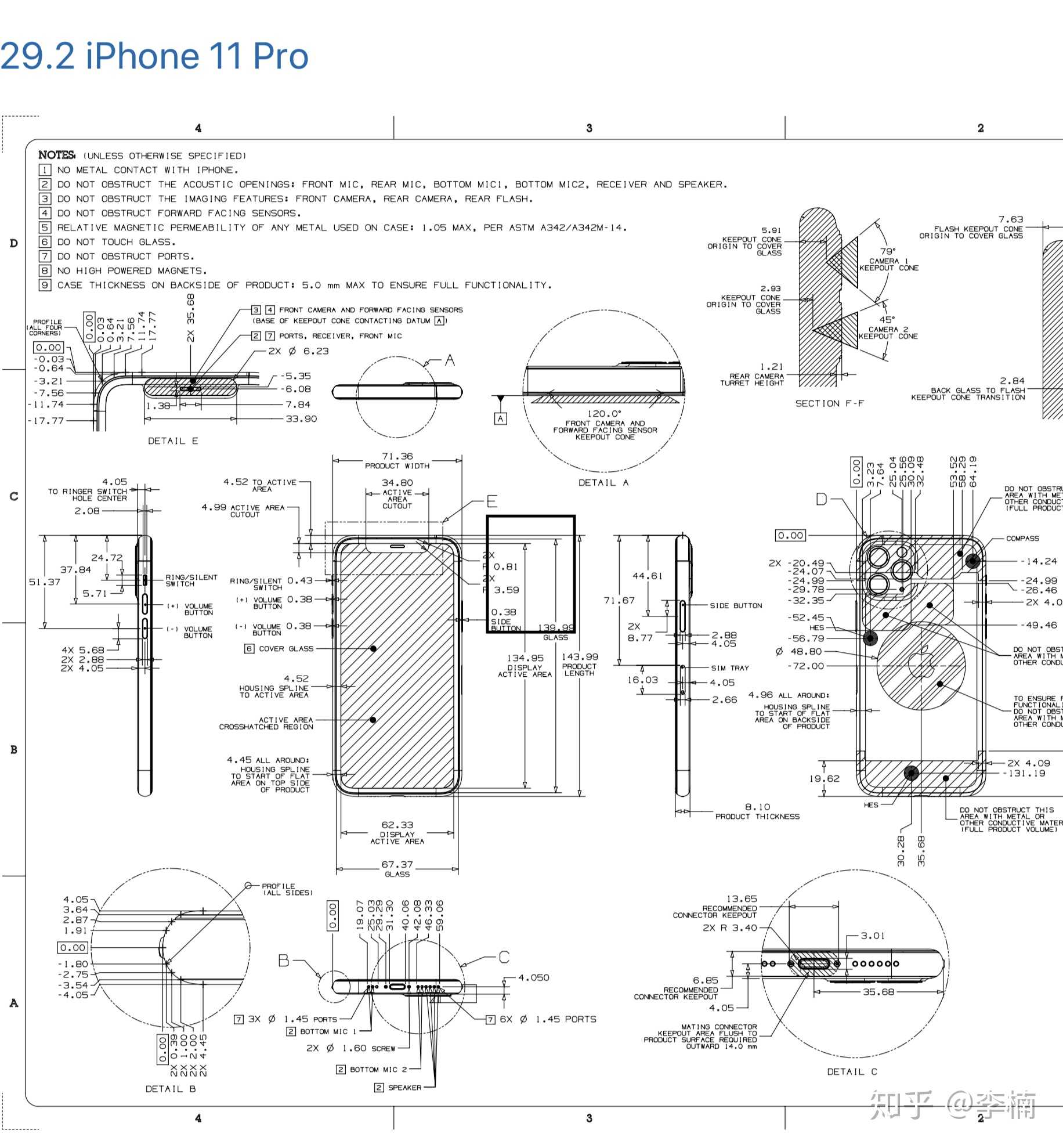
iPhone 11 的原始设计图纸也放出了。生怕整个手机行业抄错了,干脆放出原始设计。为了推动行业进步,苹果几乎可以算是手把手的教了吧。
MacBook Pro
首发 | 16 英寸 MacBook Pro 上手体验:苹果史上最强笔记本电脑
11 月 13 日,传闻已久的 16 英寸 MacBook Pro 正式发布,起售价为 18999 元。
这是今年苹果第 2 次对同一条产品线做出的产品更新,这在以往可不多见。

三年前,苹果为 MacBook Pro 引入触控条(Touch Bar),并采用了全新的模具,时隔多年后,MacBook Pro 的设计终于又迎来一次大更新。
跟 AirPods Pro 一样,新的 MacBook Pro 也是直接在官网上线,毫无预热,突如其来。
16 英寸 MacBook Pro 的像素密度也有所提升,由之前 15 英寸的 2880 × 1800 像素提升至为 16 英寸的 3072 × 1920 像素,支持点对点显示,对于广大设计工作者来说应该是个福音。
而最高 500 尼特的亮度、P3 广色域以及原彩显示等特性,也都一并保留了下来。
16 英寸 MacBook Pro 的键盘确实更偏实用性,同时也是为了解决误触、易损等老问题,提升键盘盲打的精准度。

MacBook Air 低功耗轻薄本,Pro 高性能笔记本。
16 英寸 MacBook Pro 的扬声器还是分布于键盘区左右两侧,但数量增加至 6 个,并延续了三麦克风阵列的设计,其中还有 2 个低音扬声器背对背放置。如果你拿新款和旧款做外放对比,会发现新电脑的立体声音量得到了显著增加,低音的层次感也更为鲜明。
总结:苹果重新拥抱专业级用户
久违的 MacBook Pro 大升级终于来了,这可能是很多苹果用户看到这次 16 英寸新电脑时的感想。
它屏幕更大,配置更高,和 15 英寸几乎保持了一样的重量尺寸,还改进了大部分被诟病多年的键盘、散热等老问题。
如果不是今年苹果爱上了「官网直接发布」的套路,在过去,这会是一款值得拿到发布舞台聚光灯下,聊上 40 分钟的新品。
实际上,当苹果工作人员预先向受邀媒体介绍这款新品时,也足足花了近两个半小时的时间。

16 英寸 MacBook Pro 不是苹果做过的最大尺寸笔记本电脑,倒退回十年前,你会在苹果官网看到一款配备了 17 英寸屏幕的笔记本,这一度被视为 MacBook 系列的顶级旗舰。
不过,为了让产品线更聚焦大众用户,苹果于 2012 年推出视网膜屏幕的 MacBook Pro 后,就砍掉了 17 英寸的电脑,只留下了 13 和 15 英寸这两个款式。
这意味着,在过去很长一段时间里,整个 MacBook Pro 产品线都没有出现过很直观的尺寸改变,更多只是在追求轻薄、紧凑设计的道路上而做出一些调整。
回头看,这部分改进非议不少,比如接口不够多,触控条使用场景有限,还有三次迭代都不完美的蝶式键盘,你很难想象一款定位高端的专业级设备,会在那么多基础环节存在问题。
虽说创新必然会伴随着代价,但如果某种改变一直无法让用户体验变好,作为发起者,可能得重新回到起点,思考一下方向问题。对于 MacBook Pro 系列,苹果也是时候要来一次彻底的整改。
从这一点来说,16 英寸 MacBook Pro 的出现,预示着苹果终于放弃了那种小修小补的策略,重新回归到实用主义的方向上,这也是 Mac 的忠实用户群——那些追求极致创造力、生产力的工作者们,真正希望看到的改变。
2019 年,苹果在专业级 Mac 产品线上也花了不少精力,无论是此前发布的新款 Mac Pro(当然,还有那个极致的 Pro Display XDR 显示器),还是这一次的大更新的 MacBook Pro,都从侧面表明,苹果正在重新拥抱专业级用户。
这一次,你会选择入手吗?
乔布斯是对的:手机和iPad杀死了个人电脑

史蒂夫·乔布斯在2010年推出iPad。
新 AirPods 评测:我戴了 24 小时,体验到这 6 大变化丨模范评测

作为一名 iPhone、iPad 和 MacBook 用户,我几乎离不开苹果硬件生态圈所带来的方便。
「嘿 Siri」让耳机成了真正的穿戴设备
在全新的 H1 芯片和收音更好的这一基础上,苹果也为新 AirPods 加入了「嘿 Siri」功能。
如果像是设置闹钟、提醒、拨打电话、发送短信等等操作,现在直接对 AirPods 喊出「嘿 Siri」就能完成,确实方便不少。
设计上的延用让大家一时不知道耳机的更新意义在哪。当然,这其实也不让人感到意外,过去苹果一直都不会在耳机这部分做太多变动,从最初伴随 iPod 问世的「小白耳机」Earbuds 到今天的 AirPods,在过去近 20 年时间里,苹果自家的耳机种类也就只有 5 种而已。
这种感觉就像钢铁侠 Tony Stark 呼叫 Jarvis 一样。
所以今年 AirPods 的升级,它还是往「实用性」这个方向走。
新加入的 H1 芯片赋予了 AirPods 更好的连接速度和稳定性。对用户而言,这款由苹果为新耳机量身打造的核芯,在你每次配对、戴上耳机时,它都会比上一代有更快的响应速度和更优秀的稳定性。
iCloud 所提供的支持并不只是单纯的文件存储(虽然我们经常都是用它来存文件),实际上,它还兼顾着信息存储,比如同步各个账户密码和 AirPods 切换时所需的设备信息,这也是 AirPods 比其他蓝牙耳机更具优势的地方。
因此,在这些硬件(H1)和软件(iCloud)的配合下,AirPods 能够在 iPhone、iPad、MacBook 甚至 Apple Watch 之间的无缝切换。用户只需简单两步就能完成连接,无需重新配对。
这方面,上一代耳机的 W1 芯片已经给我留下了不错的印象,而在 H1 芯片的加持下,这种苹果设备之间的便捷性被发挥得淋漓尽致。
然而这个能将这种交互体验从 80 分提升到 90 分的耳塞,仍然保持在 40 克而已。
总之,升级芯片的目的其实是想让你接电话更快、吃鸡能及时听到哪里来的枪声、翻开电脑那一刻就能跟耳机做好配对、跑步的时候可以喊出 Siri 打开运动 FM…… 这种感觉其实就像用 Apple Watch 解锁 Mac、用 AirDrop 传输文件、用 iCloud 同步内容那么简单而高效。
此外,今年无线充电的加入可以看作是苹果对「真无线」这个目标的最终愿景,H1 芯片解决耳塞的连接问题,而耳机盒的无线充电,也恰巧印证了 Jony Ive 三年前在初代 AirPods 广告片中的那句话:
我们相信,未来将是一个无线的世界,而这个信念,促使我们设计出这款无线的 AirPods。
可见的是,除了 Apple Watch、iPhone 和 AirPods,更多的苹果设备会继续往「无线」这个方向走,比如无线充电,无线传输…… 最终其实也是想让你的体验更优雅一些。
总的来说,经过近一周的体验,我总结出新 AirPods 对比旧款的 3 个变化:高效(更快的响应速度)、持久(3 小时持续通话)、优雅(无线充电),尽管这三个变化我们单凭图片不能看出个差异,但却正是新 AirPods 和旧款拉开差距的地方。
AirPods 能流行起来的原因并不单只是因为它是一个潮品,在另一方面,是因为它是目前和苹果设备使用体验最好的无线耳机,那种轻量、高效、在设备间无缝切换的方便,或许就是它至今仍没遇到对手的原因所在。
苹果的 A13 芯片介绍(英文)
iPhone11 发布会上,A13 芯片的介绍只占四分钟,但它可能是 iPhone 11 最重要的更新和迄今最好的手机 CPU:”包含85亿个晶体管,六个内核,一个四核图形处理器,一个LTE调制解调器,一个用于机器智能功能的八核神经引擎,每秒可运行超过五万亿次运算。”
Apple Watch 的自动报警功能

苹果手表如果检测到佩戴者跌倒60秒不动,会自动报警。该功能最近出现了真实案例。
一位62岁的美国西雅图居民,在骑自行车时车轮打滑,摔倒昏迷,周围没有其他人。苹果手表发现他不动以后,自动拨打911报警,并发送了坐标。救护车很快赶到现场,发现他左眼上方大量出血,肩膀和肋骨错位,进行了及时抢救。
iOS

苹果公司正式发布 iPadOS,现在就可以安装升级。它将一些桌面电脑的功能引入了 iPad,比如 程序坞 dock 和支持直接插入U盘。苹果公司的产品线目前有五个操作系统:MacOS、iOS、iPadOS、WatchOS、tvOS。
iOS13
iOS 13 系统会提示正在追踪用户的 App,下图的英文是”xxx 在过去三天里获取了70次你的位置”。

苹果:已有 50% 的 iPhone 升级到了 iOS 13
41% 还在跑 iOS 12,更早的系统版本占 9%。
iPhoneX

iPhone X 是一部前瞻性的智能手机,它的意义不在于消费端,更多在于其诞生十年的纪念意义,在于探索未来智能手机的设计方向,在于苹果自身乃至整个智能手机行业。
全面屏挤掉了延续十年的标志性设计,你使用手机的方式也变了牵一发而动全身,硬件构造变了,软件交互也随之改变。
对你影响更大的是 Home 键的消失,作为 iPhone 的标志性设计,正面面板唯一一个按键,也是用户每天接触最多的按键,Home 键在交互中至少承担着 7 种操作:指纹解锁屏幕、回到首屏、多任务、激活 Siri、截屏、激活 Apple Pay、画面下移。
延续近 10 年 iPhone 的交互第一次发生重大的变化。
苹果在屏幕底部设置了一条虚拟的横线,利用手势进行操作。苹果的产品经理告诉我,围绕虚拟横线进行的手势操作,刷新率都达到了 120Hz。因此,这些手势操作都异常顺畅。
在任何界面下,当你将虚拟横线往上拖动到屏幕中央时,就能回到主屏幕。
习惯了实体 Home 键,我在使用 iPhone X 时拇指总会下意识地按动屏幕,不过适应了这个交互后,我发现这比按 Home 键方便不少,毕竟手势操作速度更快且不需要费力。
当手指向上滑到一半停住时,则会进入多任务管理界面,而直接左右滑动这条横线时,可以直接切换应用,这个效率也比双击 Home 键更高。
当然也有效率不高的操作:原本从底部呼出的控制中心,现在需要从屏幕右上角向下呼出,这个变化可能会让不少新用户不适应,除了习惯之外,在更狭长的手机上单手滑动屏幕右上角,非常别扭。
呼出 Apple Pay 的方式是双击电源键,同时按住电源键和音量+ 可以完成截屏。
iPhone 到底有什么能耐,来看这10 个 iOS 使用技巧(相机篇)
iOS 版本流程
iOS13正式版本发布前,都是要经过几个版本的层层测试。可以分为四个部分
内部测试版(苹果员工内部自行测试)
↓
开发者测试版(针对开发者先测试)
↓
公测版(开放给大众测试)
↓
正式版
1、内部测试版
【内部测试】苹果内部员工程师使用并且测试,还需要签署保密协议,一般不会外流出,当然还是有些员工忍不住爆料系统的新特性
2、开发者测试版
随着WWDC 2019的结束,苹果会为付费开发者提供了 iOS 13「开发者测试版」。目的是让自己的APP或者游戏更好的对iOS 13能进行适配,从而避免应用或者游戏闪退.
3、公测版
伴随着iOS 13几个开发者测试版的修复后,系统比较稳定、bug比较少的时候。就会放出Public Beta 版,也就是大家常说的「公共测试版」。目的是让大量的去寻找系统bug和反馈建议。
公开测试版本的更新速度通常要比开发者测试版慢一个版本,
苹果表示会在 7 月推出 iOS 13 的公测版,届时大家就能方便地升级了。
4、iOS 正式版
iOS13经过版本的测试后,系统稳定。大概在2019年秋季新款iPhone的发布会上,会带来iOS13正式版。
正常的情况下,9月份左右会推出正式版。新款iPhone当然得适配新款系统嘛。
苹果买下 AirTag 商标,有关这个蓝牙追踪器的消息都在这里了

苹果的蓝牙追踪器 AirTag 的消息几乎每天都有,最新的进展是该公司已经从俄罗斯一家专攻射频识别(RFID)技术的公司手中买下了 AirTag 商标。
俄罗斯媒体 RBC 将这家名为 ISBC 的公司描述为「俄罗斯领先的智能卡片和 RFID 标签制造商」,ISBC 在官网的声明中证实出售 AirTag 商标的交易已完成,但受保密条款限制无法透露买家细节。
出售 AirTag 商标后,该公司原处于 AirTag 品牌的 RFID 钥匙扣等产品将转移至其旗舰品牌 ISBC 名下。
苹果正在开发类似 Tile 的蓝牙追踪器的消息由来已久,甚至可以说是板上钉钉的事实,人们已经多次在 iOS 13 多个测试版中发现其踪迹,MacRumors 本周还曝光了 AirTags 在 iOS 13.2 测试版中的最新截图。
以下是 AirTag 的各种相关信息。
什么是 AirTag?

▲ AirTag 概念图 图片来自:MacRumors
目前普遍认为 AirTag 是带有蓝牙功能的小贴片,可用于追踪、查找钥匙、钱包等易于丢失的物品,与市面上常见的 Tile、Adero 等产品类似,但显然 AirTags 与苹果的设备会有更深度的结合。
AirTag 的工作原理是什么?

▲ 图片来自:MacRumors
从截图猜测,AirTag 可通过内部的芯片与 iPhone 连接,贴到其他物件后可发送所在位置,用户可像查找其他苹果设备一样在「查找我的」应用中查找 AirTag 的位置。
AirTag 长什么样?
此前泄露的系统图片显示 AirTag 是一个小巧的白色圆形标签,中间带有苹果标志,外形与大部分蓝牙追踪器类似。不过,该图片可能只是模型或占位符,实际的 AirTag 也可能并不长这样。

▲ 图片来自:MacRumors
至于怎么贴到物品上,目前也只能猜测大概是粘着剂或固定环。
AirTag 怎么用?
与 AirTag 离开一定距离后,你的手机将收到通知,在「查找我的」中点击相应的按钮后,AirTag 将发出高音量的提示音,方便在附近的你及时找到它。你可以为 AirTag 设定「安全位置」,留在安全位置的物品则不会发出丢失提醒。

▲ 图片来自:MacRumors
此外,AirTag 似乎还将用到增强现实(AR)技术,「查找我的」中可能包含有 ARKit 接口,用户可在 3D 模式下查找附近的物品,系统会在物品可能的位置用气球图标予以标注。
根据此前的报道,AirTag 还引入了众包网络,如果丢失的物品不在附近,或已经断开连接,你可以启用丢失模式,任何苹果设备均可读取该标签从而与物主取得联系。而当他人的 iPhone 经过你的丢失物件时,你的手机也会得到通知。
AirTag 可靠吗?
传闻称 AirTag 采用了超宽带技术(UWB),可以提供更精确的室内定位,搭配已配备超宽带芯片的苹果最新三款 iPhone,可实现比 Tile 等主流蓝牙追踪器更准确的效果。
AirTag 什么时候发布?多少钱?
在功能和名字都被扒得七七八八后,发布日期和价格大概是 AirTag 仅剩的两个悬念,外界对此几乎毫无头绪,有可能今年就发布,也有可能等到 2020 年。价格方面,或许可以参考 Tile,售价在 25 到 30 美元之间。
一颗小小的芯片,掩盖不住苹果的大野心
文 | 雷科技leitech
苹果将在今年上半年带来的产品,恐怕远不止“清库存”用的iPhone 9那么简单,酝酿已久的苹果智能设备生态或许将迎来下一个阶段。
早在一年前就有曝光称苹果即将推出电子标签,虽然差点和iPhone 11系列同台发布,但最终没能亮相。时隔大半年后,产业链上游传来了电子标签的新呼声。向来喜欢将产品体验打磨完善后再推向市场的苹果,这次真的把新产品准备好了吗?
苹果新芯片为何有千万级出货
一切的可能性,都从iPhone 11悄然搭载UWB(超宽带)这个诞生近60年,一直以来都很低调的通信技术说起。
UWB在穿透力、功耗、定位精度和安全性上有着十足的优势,因此常常被应用在雷达等进行精准定位的领域中。苹果在iPhone 11中搭载了支持UWB的U1芯片,让这款手机能在室内感知空间,也能和其他支持UWB的设备进行高效精准定位。
苹果官方演示已经揭开了UWB实际应用的一角:在新技术加持之后,朝向接收方的iPhone就可通过AirDrop功能传输数据,无需等待原有的查找过程。精准和快速,将是苹果将UWB推广至其他产品时的关键词。
不仅仅是在手机之间传输数据,苹果还可以将UWB拓展到更多使用场景。比如说解锁汽车,在进行NFC接触之前就能隔空完成配对,还能精确估算人车距离;比如说连接到MacBook、iPad、Apple Watch等更多苹果产品,管理起来更轻松。
2019年春就有爆料称,苹果正在研发代号为“B389”标签型定位硬件产品,即Apple Tags。这些标签能和iCloud账号下的iPhone、AirPods等设备配对,并且能配合组成虚拟围栏,在设备离开围栏指定范围时第一时间发出提醒。
看上去能够将防盗防丢工作拓展到全线苹果产品的电子标签,其高效且精准定位的特性与UWB重叠,我们有理由相信这本就是计划在2019年秋季和iPhone 11系列同步上市的Apple Tags。
有开发者从iOS 13发掘出了相关代码,已经存在电子围栏、绑定账号、和家人分享、丢失后会向失主报警等功能。联系到iOS 13.4更新中出现的CarKey接口,用户可以用iPhone通过NFC解锁汽车,UWB技术的实际体验似乎已经很完善了。
苹果迟迟没有正式推出的原因,可能和代码中出现的ARKit相关部分有关,UWB或是苹果AR和智能家居战略的重要组成部分。定位效果大幅进步将推动AR和智能家居的发展,待到完整生态就绪之后,苹果才可能像往常那样骄傲地公开Apple Tags。
根据分析师郭明錤爆料,苹果的UWB技术电子标签供应商环旭电子将在2020年第二第三季度出货SiP封装,可能就是在iPhone 11上率先亮相的U1芯片。苹果预计出货量达千万级别,或许近一年的延期后,苹果已经做好了使用体验并对此报以极大信心。
Apple Tags或推动智能家居和AR
通过搭载新的外部通信硬件来打造服务生态,苹果已经不是第一次做了,从iPhone 6开始出现的NFC就是一个极佳案例。苹果并没有像传统厂商那样,只是在硬件上提供NFC,外围软件和体验交给运营商或是开发者,而是主动引导了基于NFC的Apple Pay。
支付宝微信以及通过二维码建立起来的移动支付生态在中国大行其道。打破先例将信用卡体验集成进苹果设备的Apple Pay,也在海外市场获得了信用卡支付的5%份额,并引领众多手机厂商先后跟进手机支付,将非接触支付的市场扩大至2万亿美元级别。
在NFC之前,同样能近距离通信传输的红外功能一度是手机的标配,但除了交换数据、控制家电之外并没有衍生出多少功能,更不用谈生态建设。苹果没有流于NFC技术表面的近场通信,而是将其打造成具有先进性的移动支付体验,足以体现苹果的能力。
因此我们相信,苹果很有可能复制Apple Pay的成功,打造基于UWB的Apple Tags生态。由于涉及到电子标签的硬件产品身份,实际规模有可能更大,甚至将苹果产品边界拓展至过去未曾有过的领域。从解锁汽车、打造虚拟围栏上就可见一斑。
业界一直对苹果进军智能家居很期待,苹果产品大都具有浓厚的人文关怀,存在着将iPhone等产品经验应用到智能家居的可能性。过去几年间,苹果推出过Apple TV、HomeKit开发环境以及HomePod试水,或许就是在等待大规模进入智能家居的契机。
如何将家中智能设备更高效地连接并利用起来,一直是智能家居产业面临的显示问题,即使相关概念从诞生之初到今天走过了数十年时间,仍然没有得出有效的答案。搭建高效智能家居体验,远非看上去那么简单,实际上依赖着十分庞大的系统工程建设。
UWB定向精准特性可以变为强指向性操作,智能设备常常遇到的“用户是否真的在调用当前设备”疑问也能妥善解决,对于在这方面已有投入的苹果来说自然是利好。智能家居绝非单独设备就能成立,需要多设备互相配合,苹果大量定制UWB芯片的动作也能理解了。
可以想象,应用Apple Tags或是其他UWB产品后,用户可以通过iPhone或是Apple Watch这样的个人设备,对智能家居进行精准控制。简单易上手并且拥有高可用性,也符合乔布斯重新入主后苹果的产品哲学。
UWB在AR的应用亦是如此。在苹果推出ARKit开发套件后的数年间,逐渐完善了交互体验、开发成本、应用精度,不过基于手机传感器让AR离苹果推崇的“符合直觉”体验差了不少,能够进行精准空间定位的UWB,或许就是苹果构建AR体验的最后一块拼图。
再结合苹果AR眼镜有望在未来几年间正式推出的传闻,可以看到苹果以草蛇灰线搭建产品和体验的功力越发炉火纯青:先是投入技术研发带动产业链整体进步,然后各方面到位推出整合技术的产品,最终改变市场甚至是创造出新的市场。
至于最先被发掘出来的防丢功能,可以看作是UWB技术精准定位之外的添头。让用户能更有效管理设备是好事,但对于苹果来说,借Apple Tags和UWB开创并领导智能家居和AR领域才是更重要的事情。
苹果全新生态将至?
背靠苹果的Apple Tags会开创一个新的大市场吗?要知道无论是AR还是防丢功能,都是存在已久但不温不火的技术。AirPods或许是个很好的范例,蓝牙耳机同样存在多年但无法进入主流,苹果则用简易连接、降噪体验直接颠覆市场。
AirPods在无线耳机市场的领先,让人们看到了后乔布斯时代苹果鲜活的创造力,即使失去了创始人、Jony Ive这样的灵魂角色退出,苹果依然能够带来极具竞争力的产品并引领整个业界的风向。就算加大服务投入比例,苹果还是那个能做好硬件的苹果。
我们可以乐观看待Apple Tags的未来,它的应用领域能和现有苹果产品产生强关联,同时标签形态让它或许不太贵,两种因素相加后苹果用户有望能快速接受。UWB技术也非单个产品,iPhone、iPad、Apple Watch甚至是未来的AR眼镜都能应用,搭建生态的门槛大幅降低。
不过也该保持冷静,属于苹果UWB技术的天时地利人和尚未机集齐。AR现在都没有展现出相对明确的演化方向,显示、电池、芯片等等环节也都没有就位,可能就像苹果高管所言那样,AR眼镜的时代要到苹果的下一个十年才会开启。
另一方面,虽然已经有不少消费者开始了解并产生需求,但智能家居离成为生活必需品还有距离。甚至连成为AirPods Pro那样,定价高出行业平均线不少却依然被消费者热捧的“精致生活”产品的机遇都还没有。
现在的智能家居产品,包括作为最大交互入口的智能音箱,大都依赖价格战进入市场。实际体验中还有相当多粗糙的地方,还需要等待一段时间的迭代之后才有机会真正满足实际需求,成为被消费者所需要的产品。
对于苹果来说也是如此,虽然打造硬件产品的实力存在,但苹果近些年来的软件体开始显得力不从心。iOS和macOS爆出的多项bug,Siri在功能和智能化上相较Google、Amazon还有国内的阿里巴巴、百度、小米语音助手的落后,都是不能回避的事实。
行业、媒体还有消费者对于HomePod在评价上的高度接近就能说明问题,主流声音都在称赞它是一款不错的音频产品,却很少有人说它是优秀的苹果智能音箱。光有一流的硬件研发、工业设计、视觉设计还不够,苹果要做好智能家居,还得在人工智能和软件体验上多补补课。
小小芯片大大未来
iPhone 11发布会并没有着墨介绍的小小芯片引发了宏大幻想,无论是UWB技术本身的精准定位特性,还是苹果当前生态建设的完善,都为这家万亿市值的科技企业留出了无数可能性。
与机会共存的还有挑战,克服UWB以及Apple Tags实际应用中可能出现的问题,并成功拉开了新市场的帷幕之后,我们才能说苹果又下好了一盘棋。
小屏幕 iPhone

一个开发者公布了他的 iOS App 的访问统计,份额最大的四种设备(iPhone 6,6s,7,8)都是4.7寸屏幕,占总量的近50%。
他认为,这说明消费者并非一味喜欢大屏幕手机,但是苹果公司显然不这么想,正在放弃小屏幕,新的 iOS 13不再支持iPhone 5S,6 和 6+。
Xnip

国产的 Mac 截图软件。
Skim
MacOS 平台的一个开源 PDF 文件阅读器。
两天前,ZDNet 发表了新文章《认识 iPad:提高你生产力的10个应用》。这一类的科普文章,每周都会出现,这难道不是一件很奇怪的事情吗?
iPad 已经发布10年了,可是人们还必须看这种文章,说明大家还没找到办法,到底怎样才能在 iPad 上进行实际工作!
iPad Pro 的新 CPU

苹果公司上周发布的 iPad Pro 支持触摸板和鼠标。国外评论认为,这实际上是苹果在尝试 ARM CPU 的笔记本电脑。如果成功,下一步就要将 MacOS 从 x86 CPU 移植到 ARM CPU。
苹果自己可以生产 ARM CPU,而 x86 CPU 都需要从 Intel 购买。更换 CPU 的主要好处是,ARM CPU 比较节能,电池可以使用更长时间。而且更换后,手机和笔记本的操作系统就可以统一了,理论上手机 App 就可以直接在笔记本运行。目前,主要指标是看 Xcode 何时能移植到 iPad Pro,现在还不行。
生于创新,死于封闭
一些文章,对苹果在WWDC大会宣布其PC脱钩Intel、投奔ARM的决定,盛赞有加,说这个决定很有远见、很伟大。
作为在PC行业摸爬滚打十几年的IT老兵,我今天想分享一篇我2011年写的文章,希望能给你一些启发。
终于,诺基亚在10月26日召开的Nokia World 上,发布了首款基于微软“Windows Phone 7.5 芒果 ”的高端智能手机Lumia 800,以及中端版本Lumia 710 。
有人说,至此,三匹赛马(iPhone/iOS,Android,Windows Phone)终于就位,排位赛即将开启。
我说,不。
这不是三匹马的比赛,也不是诺基亚一家公司的反击,这是“开放”对“封闭”的反攻,是行业的反扑。
乔布斯是一位极富创新力的商业领袖,受人尊敬。
他凭借“艺术+科技”的理念,不断“重新发明”MP3播放器(iPod),手机(iPhone),以及平板电脑(iPad),并把苹果带到商业成功的巅峰。
2011年第2季度,苹果一家公司的利润占了整个手机行业利润的三分之二 ,到2011年8月,苹果成为全球市值最大的公司 。
整个行业的三分之二!有这么多吗?
探讨这个问题前,我们需要先了解这个行业的业态。
机行业的苹果,构建的是典型的“一”字型业态,横向对软件商开放,纵向对硬件商封闭。
横向,苹果借用iTunes应用商店平台网罗大量开发者,海量的应用,吸引、锁住最终用户。
同时纵向依靠卓越的工业设计能力,独家设计、采购、生产iPhone/iPad,几乎完全独占产业链,与诺基亚、三星、摩托罗拉、HTC、LG、黑莓等所有手机厂商为敌,叱咤风云,以一敌万。
但这种“成功,却纵向封闭”的架构,是极不稳定的生态系。
所有其他手机厂商一边不得不为缺乏苹果所独具的创新力而羞愧(整个行业应该为之羞愧!),一边对苹果独食行业三分之二的利润眼红不已。
头悬梁、锥刺股,一波又一波的反攻越来越凶猛。
先是Android,然后是Windows Phone。
9月发布的HTC Radar/Titan是第一波,10月发布的诺基亚Lumia 800/710是第二波,然后是11月的三星是第三波,之后便波涛汹涌。
苹果为荣誉奋斗,他们却为生存而战。
为了维持这种极不稳定的“封闭体系下的成功”,苹果必须永远保持绝对的创新优势,而面对整个行业的创新反扑(诺基亚的新材料技术、三星的柔性屏幕、各种新的人机交互技术,以及低价策略等等)。
苹果可以永远以一敌万、万夫莫敌吗?
个人英雄主义者也许认为可以,但现实主义者知道这何其艰难。
那什么才是“稳定的”生态系?
让我们看看与“一”字对应的,PC行业这种典型“十”字型业态。
微软的PC操作系统Windows获得了巨大的成功。
作为一款商业软件,它不“开源”,但从业态的角度来说,是完全“开放”的。
横向来说,微软鼓励所有开发者在Windows上开发应用,提供了SAP,金蝶,腾讯这样的巨头软件公司成长的肥沃土壤;
纵向来说,微软还同样对硬件厂商开放,在巨大的实验室里测试几乎所有主流的硬件与Windows的兼容性,造就了英特尔、联想、惠普等等在PC时代的成功。
处于“十”字生态中心的Windows,合纵连横,微软每赚1元钱,这个“十”字形生态就能赚到16元钱,所以十分稳定,并相互扶持成长。
而Windows的竞争对手,与它争夺“十字中心点”的“商业软件”Mac和“开源软件”Linux,想再造这样的生态,何其困难。
“一”字生态与“十”字生态的战斗已经开始。
但这不是iPhone/iOS,Android,Windows Phone三匹马的排位赛,因为iPhone并不是一名选手,iOS才是。
只有iOS独立于iPhone而存在(正如OSX放弃封闭,独立于Macintosh而开放存在),单独加入比赛,三匹赛马才真正就位。
所以,Lumia 800/710不是诺基亚一家公司的反击,他背后是整个行业的反扑。
这未必是致命一击,但一定不是最后一击。
因为利益,不断创新,联合行业,永不停止,对“封闭”的反击,会如暴风骤雨般打在苹果身上。
苹果今天很成功,但如果有一天,如果真的有一天,苹果再次失败,一定还是:生于创新,死于封闭。
iPhone 12“偷工减料”为哪般?
距离9月越来越近,新款iPhone的消息也越来越多了。要知道,iPhone 12可是苹果发布的第一款5G手机。2007年,苹果发布的第一代iPhone还是2G手机;经过了13年的进化,如今iPhone终于也要进入5G时代了。
老冀之所以说“终于也要”,是因为苹果的众多安卓竞争对手们,早在一年前就已经发布5G手机了。
对于痴心不改的果粉们,这些都不算什么,谁让他们那么爱苹果呢?不过,最近有一个消息却让不少果粉开心不起来了——根据“十说九中”的爆料大神、天风证券分析师郭明琪的预测,今年发布的iPhone 12系列手机将不再附赠充电器和耳机。
这个消息一经传出,海外社交媒体上,网友们一下子就炸了锅,有说这样挺好挺环保的,也有骂苹果忘恩负义的。不管怎么说,苹果这么做,可谓坏了规矩。那么,苹果为什么还要做呢?老冀想了想,主要有两个原因:
第一个是为了降成本拉销量。
从安卓阵营已经发布的各款5G手机来看,基本上都比4G手机涨了好几百元,这是因为芯片、天线、屏幕各种元器件确实都涨价了,手机厂商不涨价,确实不容易Cover成本。
问题是特立独行的苹果并不想跟着涨。安卓厂商涨价是因为本来利润就很低,不涨就真亏本了。而毛利率一直在30%以上的iPhone,反而有不小的降价空间。
况且,不降也真卖不动了。过去这些年,iPhone的售价确实也在不断上涨中。尤其是2018年9月发布的iPhone XR,与上一年发布的iPhone 8的起售价上涨了50美元,涨幅高达7%。结果此后iPhone的销量就不太理想了。看到这个情况,去年发布的iPhone 11又把起售价降低到iPhone 8的水平,结果就卖火了,苹果还破天荒地超过三星和华为,拿到了去年第四季度全球智能手机出货量的季度冠军。
iPhone出货量数据摘自IDC
今年4月,苹果还专门发布了一款起售价仅为399美元的iPhone SE,虽然只是款4G手机,仍然卖得风生水起。这也充分说明,iPhone确实需要降价了。
老冀觉得,苹果是一家非常值得琢磨的公司,因为它把iPhone做成了“大众奢侈品”:智能手机本来只是个大众消费品,苹果却凭借自身的产品力和品牌力,把iPhone做出了奢侈品的感觉。结果就是iPhone以不到20%的市场份额,却拿走了全行业70%以上的利润。
不过,从更长期来看,“大众奢侈品”是很难自洽的:既然面向的是大众市场,就不可能价格一直高高在上;如果是奢侈品,也就不可能做到人手一机。
此前,苹果曾经引入巴宝莉的高管,试图通过拉升品牌,维持iPhone高高在上的“奢侈品”价格。可是这一招没能奏效,其实最根本的原因,就是iPhone已经过于大众化了。例如在中国,很多刚刚工作没多久的小女孩也都有了iPhone,还怎么维持“奢侈品”的那种神秘感?
还有一个原因,就是苹果的竞争者越来越多,越来越强大了。且不说此前已经成功挑战了iPhone地位的三星和华为,如今就连小米、OPPO、vivo也盯上了高端市场,纷纷推出高端机型,试图分一杯羹。
因此,我们看到去年以来,苹果的策略有了较大的变化,不再固守那种“奢侈品”的感觉,而是往“大众品”的方向发展,通过适当的降价,乃至推出廉价版iPhone,抢占更多的市场份额。
业界预计,今年发布的iPhone 12不仅不会涨价,还会在去年iPhone 11降价50美元的基础上再降50美元,以拉升销量。不过,苹果并不想自己全部承担降价的损失,于是想出了不送充电器和耳机的办法。
老冀认为,对于果粉们,这个办法是有效的。既然是果粉,以前购买的iPhone已经标配了充电器和耳机,现在接着用就是了。
其实,让果粉们意见最大的倒不是送不送充电器,而是苹果在快充上的进步实在有点慢。已经多少年了,iPhone一直都在适配祖传多年的五福一安(5V1A)充电套装,直到去年才推出了18W PD快充套装,而很多安卓手机用户早就享受40W甚至65W的快充了。
业界普遍估计,这次发布的iPhone 12将全系支持20W快充,据说苹果的20W快充套装也已经准备好了。不过,由于此前大部分果粉还在用祖传的五福一安,如果他们想要更畅快的充电感觉,就得另外掏钱了。
此外,iPhone 12不送充电器和耳机,对于首次购买iPhone的安卓手机用户的吸引力也会有所下降;苹果想要转化安卓手机用户,恐怕会更难了。
说完了第一个原因,老冀认为这次苹果这么做恐怕还有另一个目的,那就是加速智能设备的无线化。
最近几年,各种无线设备如无线耳机、无线充电等,都在加速普及中,不用带线确实方便了很多。不知道大家有没有听音乐之前花好几分钟把耳机线捋顺的经历,用无线耳机就没有这个困扰了。
如今,苹果不再随赠有线充电器和有线耳机,其实也是逼着用户逐渐习惯使用无线设备,其中有些领域苹果已经做好了布局。没了有线耳机,那就买个AirPods吧;不送有线充电器了,这次发布会上,苹果也许会拿出能够同时为iPhone、AirPods和Apple Watch充电的AirPower。
在苹果为我们规划的未来世界里,各种智能设备都将挣脱充电线的束缚,只需要放在那里就能够充电。当然,安卓阵营也乐观其成,设备的无线化毕竟给用户带来了诸多的便利。
以上分析仅供参考,iPhone 12到底会是怎么样,苹果是否真的取消了随赠的充电器和耳机?我们只需要静候9月的发布会。
立讯代工 iPhone 背后的故事(中文)

台湾《商业周刊》的长篇报道。王来春曾是富士康(鸿海子公司)的第一批打工妹,打工10年后创立了立讯精密,现在的市值已经超过了鸿海。Airpods 和 Apple Watch 都是立讯代工,并即将成为第一家代工 iPhone 的内地企业。
苹果商店的30%提成
自从计算机诞生,开发者一直有分发软件的自由,可以自主地将软件交付给用户。从来没有一个机构,决定哪个软件能分发,哪个不能;更没有一个机构,要求开发者将很大一部分收入上交。
视频游戏机是一个例外。游戏机制造商决定了什么游戏可以上架,但游戏机是专用设备,因此是封闭的生态系统。个人计算机不一样,一直是开放生态,这大大推动了创新。
后来,iPhone 应用商店出现了,一切都变了。只有得到苹果公司的批准,软件才能上架,并且苹果要对软件的收入提成,费用是每年99美元 + 总收入的30%。相比之下,美国的信用卡费用是每笔交易的 2.9% + 0.30美元。
30%这个提成比例,是效仿视频游戏机制造商的提成比例。苹果公司声称,iPhone 是封闭的生态系统,因为电话属于专用设备,主要功能是拨打电话,必须保护其免受恶意软件的侵害。所以,30%的费用是合理的,用来支付应用商店审核应用的成本。
此后,谷歌对安卓应用商店也实施了类似的收费比例,因此问题变得越来越严重,从 Steam 到三星手机,几乎每家应用商店都在效仿这种提成模式。
现在,Windows 和 macOS 也已经有了应用商店,未来也有可能控制哪些软件可以在 PC 上分发,侵蚀开发者的自由。尤其是 Mac 电脑,安装未经苹果批准的第三方软件时,默认会跳出警告,阻止你安装。
我们必须停止这种趋势,防止大公司控制软件的分发。
智能电话的主要功能已经不是电话了,而是便携式计算机。计算机是一般性计算设备,不是封闭的生态系统,将它们封闭起来,并不会让用户受益。
2019年,iOS 应用商店创造了约500亿美元的销售额,苹果从中获利约150亿美元。我们不禁要问,维护应用商店真的需要这么高的成本吗?这到底是合理的利润,还是苹果在对用户收税?

如果苹果或其他公司,真的要通过收费来弥补应用商店的成本,则应收取固定金额的费用,而不是按比例提成。
我们需要强有力的政府监管,保护市场免受大型企业的垄断和反竞争行为的侵害。解决方案很简单:法律应该明确智能手机和 PC 是通用计算平台,具有开放性,开发者有在这些设备分发软件的自由,前提是软件不会损害用户(恶意软件,间谍软件等)。
苹果公司的 M1 芯片(英文)

本周,苹果公司首次发布搭载 ARM 架构 CPU 的 Mac 电脑。本文是著名评论家 John Gruber 对这块 M1 芯片的评论,写得很不错,可以了解苹果公司对桌面电脑向 ARM 架构转移的安排。
参考
- 想尝鲜 iOS 13 和 iPadOS,先来看看这份 Public Beta 升降级指南
- 取消注册您的设备 以停止接收 Public Beta 版
- 苹果公司的图像和视频
- iOS 13 Beta 2 体验:5 大新功能改进,支持手机直接升级(附描述文件)
- 苹果iOS 13滑行键入:掌握一种无比顺滑的新方法
- 苹果iOS描述文件下载大全 & 完全使用攻略:玩测试版/限制升级……
- 对于传闻中的苹果 AirPods 3,你最期待哪一点?
- 乔纳森·艾维:旧苹果时代最后的骑士
- 苹果实用主义者威廉姆斯能否胜任艾维职责?
- iOS 13 Beta 4 体验:3D Touch 回归,一大堆 Bug 消失了
- iOS 13 曝光了一大堆苹果新料:AR 头戴、iPhone 夜拍模式都来了
- 新 iPhone 为什么叫 11 Pro?
- 专访苹果 CEO 库克:创新不一定是改变,而是为了做得更好
- iOS 13 将于 9 天后正式推送,这 10 大亮点告诉你值不值得升
- 新 iPhone 怎么买又快又划算:天猫首发配送快,国行网络最齐全
- 还是结构光,苹果新机为何继续选择这项 FaceID 技术?
- 当创意被苹果看上,第三方应用该如何求生?
- 我们体验了苹果AirPods Pro之后:买!
- iPhone 11 系列评测:万元巨款哑铃表现如何?
- 我用了一个月的iPhone 11 Pro Max,时而开心时而难过
- 为什么 9102 年了,我们还要清理 iOS 缓存?
- 九代 iPhone 拍照进化论:最新的就是最好的?
- 进化论:看看历代 iPhone 拍照水平如何
- AirPods Pro 主观测评:真无线耳机的新标杆
- 2019,iPhone 走下神坛
- 即使欧盟要统一 USB-C 规格,也不会改变 iPhone 继续用 Lightning 接口
- 收藏!Windows 转 Mac 入门指南,帮你无缝切换新 MacBook Pro
- 「蝴蝶」飞走,苹果笔记本的四年波折
- 16英寸MacBook Pro评测:这是史上最强大的苹果笔记本
- 16寸MacBook Pro评测:开发者梦想成真
- 2019款苹果MacBook Air/Pro体验评测:升级不大,诱惑不小
- 今天,是史蒂夫·乔布斯发布苹果初代iPad十周年
- 苹果在 2019 年最后一季攻上手机市占第一
- 诞生 10 年后,初代 iPad 的创造者们聊了些幕后故事
- 九年前乔布斯发布的初代 iPad,重新定义了今天的平板电脑|极客博物馆
- 最快iOS 14实现,彭博:苹果考虑允许将第三方浏览器和邮件设为默认App
- 从TechInsights拆解与iPhone走过十年创新
- 欧盟要求所有手机统一充电接口,这对苹果意味着什么
- 苹果新增审核条例,微信「黑暗模式」就快来了
- 华为打造AppSearch应用:绕过Google Play查找安装应用
- iPad Pro 已经成为了我的「第二台电脑」
- 苹果买下语意分析公司 Voysis
- 调查:2020一季度苹果iPhone美国市场份额达44%
- 苹果全美赔款5亿美元,专利流氓接力碰瓷,2020年开局就是大危机!
- 淘宝聚划算公布苹果iPhone SE 2补贴价:2799元起
- 前瞻|苹果公司一季度财报将低于预期
- iPhone 的5小时广告
- 中资支持的英国Imagination拟重新上市
- 苹果往事:乔布斯和 iPod 的诞生
- iPad Pro (2020) + 妙控键盘完整评测:进一步模糊界线
- 苹果电脑为什么要换 CPU:Intel 与 ARM 的战争
- 这个世界上再无MacBook,只有长得像MacBook的iPad
- 苹果向受到“降速门”影响的用户每人赔25美元!只针对美国用户
- 苹果更换 ARM 芯片的解读(英文)